

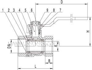
| 序号 | 产品编号 | 名称 | 规格尺寸 | 本体材质 | 本体形式 | 螺纹标准 | 售价 | 订购数量 |
|---|---|---|---|---|---|---|---|---|
全部
|
全部
|
全部
|
全部
|
全部
|
全部
|
|||
| 0.0 | 0412121406 | 黄铜快装球阀 | 2寸 | 黄铜 | 双内螺 | BSPP | 询价 | |
| 0.0 | 0412121402 | 黄铜快装球阀 | 3/4寸 | 黄铜 | 双内螺 | BSPP | 询价 | |
| 0.0 | 0412121403 | 黄铜快装球阀 | 1寸 | 黄铜 | 双内螺 | BSPP | 询价 | |
| 0.0 | 0412121401 | 黄铜快装球阀 | 1/2寸 | 黄铜 | 双内螺 | BSPP | 询价 | |
| 0.0 | 0412121405 | 黄铜快装球阀 | 1-1/2寸 | 黄铜 | 双内螺 | BSPP | 询价 | |
| 0.0 | 0412121404 | 黄铜快装球阀 | 1-1/4寸 | 黄铜 | 双内螺 | BSPP | 询价 |
![]() |
产品描述
|
||||||||||||||||||||||||||||||||||||||||||||||||||||||||||||||||||||||||
![]() |
|
||||||||||||||||||||||||||||||||||||||||||||||||||||||||||||||||||||||||
|
|
|||||||||||||||||||||||||||||||||||||||||||||||||||||||||||||||||||||||||
1.请确保阀门在合适的工况中使用。 2.阀门安装前,请确保清除流体中的杂质,否则可能造面密封面损坏。 3.阀门安装前,务必先清除产品及阀门端面上的防护包装物。 4.阀门安装时,请确保螺纹部分生带合理使用量,否则可能造成阀门与管道连接处泄露。 5.阀门安装完成后,请确保连接管道没有对阀门形成拉伸,否则会造成对阀门螺纹的损坏。 6.阀门投入使用前,请对管道进行压力测试以确保所有的连接处无泄露。 7.阀门使用期间,请确保阀门打开与关闭的扭矩不应超过30Nm。 8.请定期检查维护阀门,以确保阀门正常工作。 |
|||||||||||||||||||||||||||||||||||||||||||||||||||||||||||||||||||||||||